Asadapter voor volle as diameter 31,75mm
Inhoud
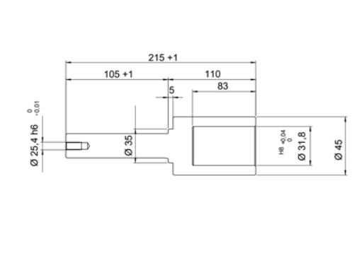
DODMA31.75
Toebehoren voor het aanpassen van de asdiameter. Poort: massieve as diameter 31,75mm. Aandrijving: holle as diameter 25,4mm met spieën. Voor aandrijvingen met een koppel tot 140 Nm.
Toebehoren voor het aanpassen van de asdiameter. Poort: massieve as diameter 31,75mm. Aandrijving: holle as diameter 25,4mm met spieën. Voor aandrijvingen met een koppel tot 140 Nm.